HOME >> Services >> Partners >> FAG Bearing
FAG Bearing
IKO Bearing
INA Bearing
KOYO Bearing
NACHI Bearing
NSK Bearing
NTN Bearing
SKF Bearing
TIMKEN Bearing

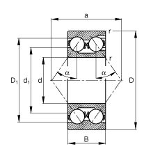
Bearing number : 3316
Size (mm) : 80x170x68.3
Brand : FAG
Bore Diameter (mm) : 80
Outer Diameter (mm) : 170
Width (mm) : 68,3
d - 80 mm
D - 170 mm
B - 68,3 mm
a - 123 mm
D1 - 149,7 mm
Da max - 158 mm
d1 - 111,8 mm
da min - 92 mm
ra max - 2,1 mm
rmin - 2,1 mm
α - 35 ° / Angle
m - 7,26 kg / Weight
Cr - 202000 N / Dynamic load rating (radial)
C0r - 213000 N / Static load rating (radial)
nG - 4150 1/min / Limiting speed
nB - 3950 1/min / Reference speed
Cur - 10300 N / Fatigue limit load, radial
Main dimensions to DIN 628-3, double row, Angle α = 35°