HOME >> Services >> Partners >> FAG Bearing
FAG Bearing
IKO Bearing
INA Bearing
KOYO Bearing
NACHI Bearing
NSK Bearing
NTN Bearing
SKF Bearing
TIMKEN Bearing

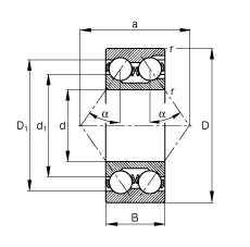
Bearing number : 3317-M
Size (mm) : 85x180x73
Brand : FAG
Bore Diameter (mm) : 85
Outer Diameter (mm) : 180
Width (mm) : 73
d - 85 mm
D - 180 mm
B - 73 mm
a - 131 mm
D1 - 160 mm
Da max - 166 mm
d1 - 119,6 mm
da min - 99 mm
ra max - 2,5 mm
rmin - 3 mm
α - 35 ° / Angle
m - 8,78 kg / Weight
Cr - 216000 N / Dynamic load rating (radial)
C0r - 229000 N / Static load rating (radial)
nG - 5000 1/min / Limiting speed
nB - 3750 1/min / Reference speed
Cur - 11100 N / Fatigue limit load, radial
Main dimensions to DIN 628-3, double row, Angle α = 35°