HOME >> Services >> Partners >> FAG Bearing
FAG Bearing
IKO Bearing
INA Bearing
KOYO Bearing
NACHI Bearing
NSK Bearing
NTN Bearing
SKF Bearing
TIMKEN Bearing

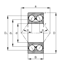
Bearing number : 3318
Size (mm) : 90x190x73
Brand : FAG
Bore Diameter (mm) : 90
Outer Diameter (mm) : 190
Width (mm) : 73
d - 90 mm
D - 190 mm
B - 73 mm
a - 136 mm
D1 - 168,2 mm
Da max - 176 mm
d1 - 126,1 mm
da min - 104 mm
ra max - 2,5 mm
rmin - 3 mm
α - 35 ° / Angle
m - 9,23 kg / Weight
Cr - 255000 N / Dynamic load rating (radial)
C0r - 275000 N / Static load rating (radial)
nG - 3650 1/min / Limiting speed
nB - 3400 1/min / Reference speed
Cur - 12600 N / Fatigue limit load, radial
Main dimensions to DIN 628-3, double row, Angle α = 35°