HOME >> Services >> Partners >> FAG Bearing
FAG Bearing
IKO Bearing
INA Bearing
KOYO Bearing
NACHI Bearing
NSK Bearing
NTN Bearing
SKF Bearing
TIMKEN Bearing

Bearing number : 33210
Size (mm) : 50x90x32
Brand : FAG
Bore Diameter (mm) : 50
Outer Diameter (mm) : 90
Width (mm) : 32
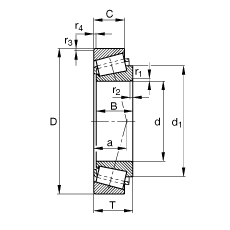
d - 50 mm
D - 90 mm
T - 32 mm
a - 24 mm
B - 32 mm
C - 24,5 mm
Ca min - 5 mm
Cb min - 7,5 mm
Da max - 83 mm
Da min - 77 mm
Db min - 87 mm
d1 - 71,8 mm
da max - 57 mm
db min - 57 mm
r1, 2 min - 1,5 mm
r3, 4 min - 1,5 mm
ra max - 1,5 mm
rb max - 1,5 mm
m - 0,881 kg / Weight
Cr - 115000 N
C0r - 163000 N / Static load rating (radial)
e - 0,41
Y - 1,45
Y0 - 0,8
Cur - 20400 N / Fatigue limit load, radial
nG - 7700 1/min / Limiting speed
nB - 4700 1/min / Reference speed
Main dimensions to DIN ISO 355 / DIN 720, separable, adjusted or in pairs