HOME >> Services >> Partners >> FAG Bearing
FAG Bearing
IKO Bearing
INA Bearing
KOYO Bearing
NACHI Bearing
NSK Bearing
NTN Bearing
SKF Bearing
TIMKEN Bearing

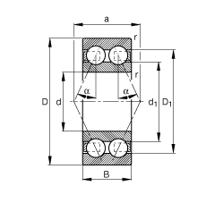
Bearing number : 3807-B-TVH
Size (mm) : 35x47x10
Brand : FAG
Bore Diameter (mm) : 35
Outer Diameter (mm) : 47
Width (mm) : 10
d - 35 mm
D - 47 mm
B - 10 mm
a - 20 mm
D1 -
Da max - 45 mm
d1 - 38,5 mm
da min - 37 mm
ra max - 0,3 mm
rmin - 0,3 mm
α - 25 ° / Angle
m - 0,035 kg / Weight
Cr - 6700 N / Dynamic load rating (radial)
C0r - 7000 N / Static load rating (radial)
Cur - 370 N / radial Fatigue limit load
nG - 11600 1/min / Limiting speed
nB - 7400 1/min / Reference speed