HOME >> Services >> Partners >> FAG Bearing
FAG Bearing
IKO Bearing
INA Bearing
KOYO Bearing
NACHI Bearing
NSK Bearing
NTN Bearing
SKF Bearing
TIMKEN Bearing

Bearing number : 51101
Size (mm) : 12x26x9
Brand : FAG
Bore Diameter (mm) : 12
Outer Diameter (mm) : 26
Width (mm) : 9
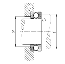
d - 12 mm
D - 26 mm
T - 9 mm
D1 - 13 mm
Da max - 18 mm
d1 - 26 mm
da min - 20 mm
ra max - 0,3 mm
rmin - 0,3 mm
m - 0,021 kg / Weight
Ca - 10400 N / Dynamic load rating (axial)
C0a - 15300 N / Static load rating (axial)
A - 0,0010 / Factor min. load
nG - 13100 1/min / Limiting speed
Cua - 690 N / Fatigue limit load, axial
Main dimensions to DIN 711/ISO 104, single direction, separable