HOME >> Services >> Partners >> FAG Bearing
FAG Bearing
IKO Bearing
INA Bearing
KOYO Bearing
NACHI Bearing
NSK Bearing
NTN Bearing
SKF Bearing
TIMKEN Bearing

Bearing number : 51103
Size (mm) : 17x30x9
Brand : FAG
Bore Diameter (mm) : 17
Outer Diameter (mm) : 30
Width (mm) : 9
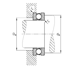
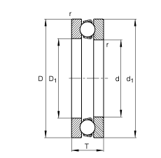
d - 17 mm
D - 30 mm
T - 9 mm
D1 - 18 mm
Da max - 22 mm
d1 - 30 mm
da min - 25 mm
ra max - 0,3 mm
rmin - 0,3 mm
m - 0,024 kg / Weight
Ca - 11400 N / Dynamic load rating (axial)
C0a - 19600 N / Static load rating (axial)
A - 0,0020 / Factor min. load
nG - 12900 1/min / Limiting speed
Cua - 870 N / Fatigue limit load, axial
Main dimensions to DIN 711/ISO 104, single direction, separable