HOME >> Services >> Partners >> FAG Bearing
FAG Bearing
IKO Bearing
INA Bearing
KOYO Bearing
NACHI Bearing
NSK Bearing
NTN Bearing
SKF Bearing
TIMKEN Bearing

Bearing number : 51104
Size (mm) : 20x35x10
Brand : FAG
Bore Diameter (mm) : 20
Outer Diameter (mm) : 35
Width (mm) : 10
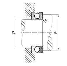
d - 20 mm
D - 35 mm
T - 10 mm
D1 - 21 mm
Da max - 26 mm
d1 - 35 mm
da min - 29 mm
ra max - 0,3 mm
rmin - 0,3 mm
m - 0,037 kg / Weight
Ca - 15000 N / Dynamic load rating (axial)
C0a - 26500 N / Static load rating (axial)
A - 0,0040 / Factor min. load
nG - 10900 1/min / Limiting speed
Cua - 1180 N / Fatigue limit load, axial
Main dimensions to DIN 711/ISO 104, single direction, separable