HOME >> Services >> Partners >> FAG Bearing
FAG Bearing
IKO Bearing
INA Bearing
KOYO Bearing
NACHI Bearing
NSK Bearing
NTN Bearing
SKF Bearing
TIMKEN Bearing

Bearing number : 51114
Size (mm) : 70x95x18
Brand : FAG
Bore Diameter (mm) : 70
Outer Diameter (mm) : 95
Width (mm) : 18
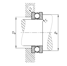
d - 70 mm
D - 95 mm
T - 18 mm
D1 - 72 mm
Da max - 80 mm
d1 - 95 mm
da min - 85 mm
ra max - 1 mm
rmin - 1 mm
m - 0,352 kg / Weight
Ca - 40000 N / Dynamic load rating (axial)
C0a - 110000 N / Static load rating (axial)
A - 0,075 / Factor min. load
nG - 5100 1/min / Limiting speed
Cua - 4850 N / Fatigue limit load, axial
Main dimensions to DIN 711/ISO 104, single direction, separable