HOME >> Services >> Partners >> FAG Bearing
FAG Bearing
IKO Bearing
INA Bearing
KOYO Bearing
NACHI Bearing
NSK Bearing
NTN Bearing
SKF Bearing
TIMKEN Bearing

Bearing number : 51124
Size (mm) : 120x155x25
Brand : FAG
Bore Diameter (mm) : 120
Outer Diameter (mm) : 155
Width (mm) : 25
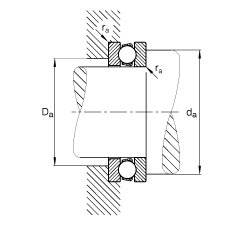
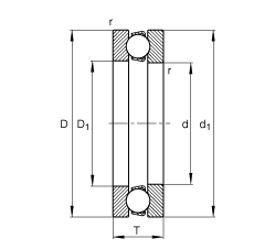
d - 120 mm
D - 155 mm
T - 25 mm
D1 - 122 mm
Da max - 134 mm
d1 - 155 mm
da min - 141 mm
ra max - 1 mm
rmin - 1 mm
m - 1,54 kg / Weight
Ca - 90000 N / Dynamic load rating (axial)
C0a - 310000 N / Static load rating (axial)
A - 0,48 / Factor min. load
nG - 3200 1/min / Limiting speed
Cua - 13900 N / Fatigue limit load, axial
Main dimensions to DIN 711/ISO 104, single direction, separable