HOME >> Services >> Partners >> FAG Bearing
FAG Bearing
IKO Bearing
INA Bearing
KOYO Bearing
NACHI Bearing
NSK Bearing
NTN Bearing
SKF Bearing
TIMKEN Bearing

Bearing number : 51140-MP
Size (mm) : 200x250x37
Brand : FAG
Bore Diameter (mm) : 200
Outer Diameter (mm) : 250
Width (mm) : 37
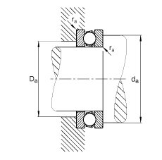
d - 200 mm
D - 250 mm
T - 37 mm
D1 - 203 mm
Da max - 220 mm
d1 - 247 mm
da min - 230 mm
ra max - 1 mm
rmin - 1,1 mm
m - 4,12 kg / Weight
Ca - 170000 N / Dynamic load rating (axial)
C0a - 655000 N / Static load rating (axial)
A - 2,4 / Factor min. load
nG - 1980 1/min / Limiting speed
Cua - 22700 N / Fatigue limit load, axial
Main dimensions to DIN 711/ISO 104, single direction, separable