HOME >> Services >> Partners >> FAG Bearing
FAG Bearing
IKO Bearing
INA Bearing
KOYO Bearing
NACHI Bearing
NSK Bearing
NTN Bearing
SKF Bearing
TIMKEN Bearing

Bearing number : 51152-MP
Size (mm) : 260x320x45
Brand : FAG
Bore Diameter (mm) : 260
Outer Diameter (mm) : 320
Width (mm) : 45
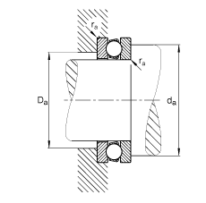
d - 260 mm
D - 320 mm
T - 45 mm
D1 - 263 mm
Da max - 284 mm
d1 - 317 mm
da min - 296 mm
ra max - 1,5 mm
rmin - 1,5 mm
m - 7,89 kg / Weight
Ca - 236000 N / Dynamic load rating (axial)
C0a - 1020000 N / Static load rating (axial)
A - 5,6 / Factor min. load
nG - 1560 1/min / Limiting speed
Cua - 31500 N / Fatigue limit load, axial
Main dimensions to DIN 711/ISO 104, single direction, separable