HOME >> Services >> Partners >> FAG Bearing
FAG Bearing
IKO Bearing
INA Bearing
KOYO Bearing
NACHI Bearing
NSK Bearing
NTN Bearing
SKF Bearing
TIMKEN Bearing

Bearing number : 51184-MP
Size (mm) : 420x500x65
Brand : FAG
Bore Diameter (mm) : 420
Outer Diameter (mm) : 500
Width (mm) : 65
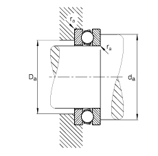
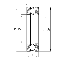
d - 420 mm
D - 500 mm
T - 65 mm
D1 - 424 mm
Da max - 452 mm
d1 - 495 mm
da min - 468 mm
ra max - 2 mm
rmin - 2 mm
m - 24,4 kg / Weight
Ca - 440000 N / Dynamic load rating (axial)
C0a - 2450000 N / Static load rating (axial)
A - 30 / Factor min. load
nG - 1000 1/min / Limiting speed
Cua - 51000 N / Fatigue limit load, axial
Main dimensions to DIN 711/ISO 104, single direction, separable