HOME >> Services >> Partners >> FAG Bearing
FAG Bearing
IKO Bearing
INA Bearing
KOYO Bearing
NACHI Bearing
NSK Bearing
NTN Bearing
SKF Bearing
TIMKEN Bearing

Bearing number : 51192-MP
Size (mm) : 460x560x80
Brand : FAG
Bore Diameter (mm) : 460
Outer Diameter (mm) : 560
Width (mm) : 80
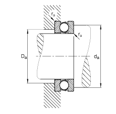
d - 460 mm
D - 560 mm
T - 80 mm
D1 - 464 mm
Da max - 500 mm
d1 - 555 mm
da min - 520 mm
ra max - 2,1 mm
rmin - 2,1 mm
m - 37,2 kg / Weight
Ca - 530000 N / Dynamic load rating (axial)
C0a - 3100000 N / Static load rating (axial)
A - 50 / Factor min. load
nG - 880 1/min / Limiting speed
Cua - 61000 N / Fatigue limit load, axial
Main dimensions to DIN 711/ISO 104, single direction, separable