HOME >> Services >> Partners >> FAG Bearing
FAG Bearing
IKO Bearing
INA Bearing
KOYO Bearing
NACHI Bearing
NSK Bearing
NTN Bearing
SKF Bearing
TIMKEN Bearing

Bearing number : 51200
Size (mm) : 10x26x11
Brand : FAG
Bore Diameter (mm) : 10
Outer Diameter (mm) : 26
Width (mm) : 11
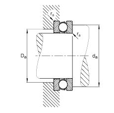
d - 10 mm
D - 26 mm
T - 11 mm
D1 - 12 mm
Da max - 16 mm
d1 - 26 mm
da min - 20 mm
ra max - 0,6 mm
rmin - 0,6 mm
m - 0,029 kg / Weight
Ca - 12700 N / Dynamic load rating (axial)
C0a - 17000 N / Static load rating (axial)
A - 0,0020 / Factor min. load
nG - 10900 1/min / Limiting speed
Cua - 760 N / Fatigue limit load, axial
Main dimensions to DIN 711/ISO 104, single direction, separable