HOME >> Services >> Partners >> FAG Bearing
FAG Bearing
IKO Bearing
INA Bearing
KOYO Bearing
NACHI Bearing
NSK Bearing
NTN Bearing
SKF Bearing
TIMKEN Bearing

Bearing number : 51201
Size (mm) : 12x28x11
Brand : FAG
Bore Diameter (mm) : 12
Outer Diameter (mm) : 28
Width (mm) : 11
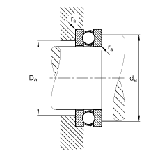
d - 12 mm
D - 28 mm
T - 11 mm
D1 - 14 mm
Da max - 18 mm
d1 - 28 mm
da min - 22 mm
ra max - 0,6 mm
rmin - 0,6 mm
m - 0,032 kg / Weight
Ca - 13200 N / Dynamic load rating (axial)
C0a - 19000 N / Static load rating (axial)
A - 0,0020 / Factor min. load
nG - 11300 1/min / Limiting speed
Cua - 840 N / Fatigue limit load, axial
Main dimensions to DIN 711/ISO 104, single direction, separable