HOME >> Services >> Partners >> FAG Bearing
FAG Bearing
IKO Bearing
INA Bearing
KOYO Bearing
NACHI Bearing
NSK Bearing
NTN Bearing
SKF Bearing
TIMKEN Bearing

Bearing number : 51202
Size (mm) : 15x32x12
Brand : FAG
Bore Diameter (mm) : 15
Outer Diameter (mm) : 32
Width (mm) : 12
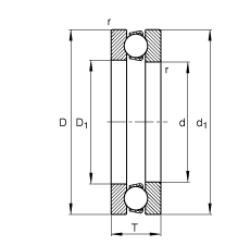
d - 15 mm
D - 32 mm
T - 12 mm
D1 - 17 mm
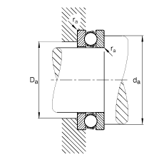
Da max - 22 mm
d1 - 32 mm
da min - 25 mm
ra max - 0,6 mm
rmin - 0,6 mm
m - 0,043 kg / Weight
Ca - 16600 N / Dynamic load rating (axial)
C0a - 25000 N / Static load rating (axial)
A - 0,0030 / Factor min. load
nG - 9800 1/min / Limiting speed
Cua - 1100 N / Fatigue limit load, axial
Main dimensions to DIN 711/ISO 104, single direction, separable