HOME >> Services >> Partners >> FAG Bearing
FAG Bearing
IKO Bearing
INA Bearing
KOYO Bearing
NACHI Bearing
NSK Bearing
NTN Bearing
SKF Bearing
TIMKEN Bearing

Bearing number : 51206
Size (mm) : 30x52x16
Brand : FAG
Bore Diameter (mm) : 30
Outer Diameter (mm) : 52
Width (mm) : 16
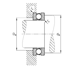
d - 30 mm
D - 52 mm
T - 16 mm
D1 - 32 mm
Da max - 39 mm
d1 - 52 mm
da min - 43 mm
ra max - 0,6 mm
rmin - 0,6 mm
m - 0,136 kg / Weight
Ca - 25000 N / Dynamic load rating (axial)
C0a - 46500 N / Static load rating (axial)
A - 0,014 / Factor min. load
nG - 7300 1/min / Limiting speed
Cua - 2040 N / Fatigue limit load, axial
Main dimensions to DIN 711/ISO 104, single direction, separable