HOME >> Services >> Partners >> FAG Bearing
FAG Bearing
IKO Bearing
INA Bearing
KOYO Bearing
NACHI Bearing
NSK Bearing
NTN Bearing
SKF Bearing
TIMKEN Bearing

Bearing number : 51211
Size (mm) : 55x90x25
Brand : FAG
Bore Diameter (mm) : 55
Outer Diameter (mm) : 90
Width (mm) : 25
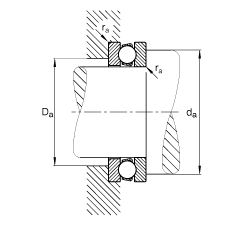
d - 55 mm
D - 90 mm
T - 25 mm
D1 - 57 mm
Da max - 69 mm
d1 - 90 mm
da min - 76 mm
ra max - 1 mm
rmin - 1 mm
m - 0,382 kg / Weight
Ca - 61000 N / Dynamic load rating (axial)
C0a - 134000 N / Static load rating (axial)
A - 0,11 / Factor min. load
nG - 4350 1/min / Limiting speed
Cua - 6100 N / Fatigue limit load, axial
Main dimensions to DIN 711/ISO 104, single direction, separable