HOME >> Services >> Partners >> FAG Bearing
FAG Bearing
IKO Bearing
INA Bearing
KOYO Bearing
NACHI Bearing
NSK Bearing
NTN Bearing
SKF Bearing
TIMKEN Bearing

Bearing number : 51230-MP
Size (mm) : 150x215x50
Brand : FAG
Bore Diameter (mm) : 150
Outer Diameter (mm) : 215
Width (mm) : 50
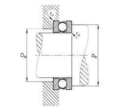
d - 150 mm
D - 215 mm
T - 50 mm
D1 - 153 mm
Da max - 176 mm
d1 - 212 mm
da min - 189 mm
ra max - 1,5 mm
rmin - 1,5 mm
m - 6,08 kg / Weight
Ca - 236000 N / Dynamic load rating (axial)
C0a - 735000 N / Static load rating (axial)
A - 2,8 / Factor min. load
nG - 1950 1/min / Limiting speed
Cua - 24200 N / Fatigue limit load, axial
Main dimensions to DIN 711/ISO 104, single direction, separable