HOME >> Services >> Partners >> FAG Bearing
FAG Bearing
IKO Bearing
INA Bearing
KOYO Bearing
NACHI Bearing
NSK Bearing
NTN Bearing
SKF Bearing
TIMKEN Bearing

Bearing number : 51248-MP
Size (mm) : 240x340x78
Brand : FAG
Bore Diameter (mm) : 240
Outer Diameter (mm) : 340
Width (mm) : 78
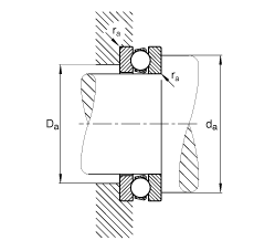
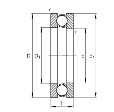
d - 240 mm
D - 340 mm
T - 78 mm
D1 - 244 mm
Da max - 280 mm
d1 - 335 mm
da min - 300 mm
ra max - 2,1 mm
rmin - 2,1 mm
m - 22,9 kg / Weight
Ca - 465000 N / Dynamic load rating (axial)
C0a - 1860000 N / Static load rating (axial)
A - 18 / Factor min. load
nG - 1200 1/min / Limiting speed
Cua - 48000 N / Fatigue limit load, axial
Main dimensions to DIN 711/ISO 104, single direction, separable