HOME >> Services >> Partners >> FAG Bearing
FAG Bearing
IKO Bearing
INA Bearing
KOYO Bearing
NACHI Bearing
NSK Bearing
NTN Bearing
SKF Bearing
TIMKEN Bearing

Bearing number : 51272-MP
Size (mm) : 360x500x110
Brand : FAG
Bore Diameter (mm) : 360
Outer Diameter (mm) : 500
Width (mm) : 110
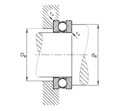
d - 360 mm
D - 500 mm
T - 110 mm
D1 - 365 mm
Da max - 416 mm
d1 - 495 mm
da min - 444 mm
ra max - 3 mm
rmin - 4 mm
m - 70,4 kg / Weight
Ca - 720000 N / Dynamic load rating (axial)
C0a - 3650000 N / Static load rating (axial)
A - 70 / Factor min. load
nG - 820 1/min / Limiting speed
Cua - 79000 N / Fatigue limit load, axial
Main dimensions to DIN 711/ISO 104, single direction, separable