HOME >> Services >> Partners >> FAG Bearing
FAG Bearing
IKO Bearing
INA Bearing
KOYO Bearing
NACHI Bearing
NSK Bearing
NTN Bearing
SKF Bearing
TIMKEN Bearing

Bearing number : 51305
Size (mm) : 25x52x18
Brand : FAG
Bore Diameter (mm) : 25
Outer Diameter (mm) : 52
Width (mm) : 18
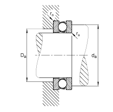
d - 25 mm
D - 52 mm
T - 18 mm
D1 - 27 mm
Da max - 36 mm
d1 - 52 mm
da min - 41 mm
ra max - 1 mm
rmin - 1 mm
m - 0,154 kg / Weight
Ca - 34500 N / Dynamic load rating (axial)
C0a - 55000 N / Static load rating (axial)
A - 0,019 / Factor min. load
nG - 6000 1/min / Limiting speed
Cua - 2450 N / Fatigue limit load, axial
Main dimensions to DIN 711/ISO 104, single direction, separable