HOME >> Services >> Partners >> FAG Bearing
FAG Bearing
IKO Bearing
INA Bearing
KOYO Bearing
NACHI Bearing
NSK Bearing
NTN Bearing
SKF Bearing
TIMKEN Bearing

Bearing number : 51308
Size (mm) : 40x78x26
Brand : FAG
Bore Diameter (mm) : 40
Outer Diameter (mm) : 78
Width (mm) : 26
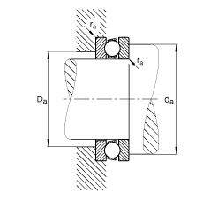
d - 40 mm
D - 78 mm
T - 26 mm
D1 - 42 mm
Da max - 55 mm
d1 - 78 mm
da min - 63 mm
ra max - 1 mm
rmin - 1 mm
m - 0,536 kg / Weight
Ca - 61000 N / Dynamic load rating (axial)
C0a - 112000 N / Static load rating (axial)
A - 0,08 / Factor min. load
nG - 4250 1/min / Limiting speed
Cua - 5000 N / Fatigue limit load, axial
Main dimensions to DIN 711/ISO 104, single direction, separable