HOME >> Services >> Partners >> FAG Bearing
FAG Bearing
IKO Bearing
INA Bearing
KOYO Bearing
NACHI Bearing
NSK Bearing
NTN Bearing
SKF Bearing
TIMKEN Bearing

Bearing number : 51309
Size (mm) : 45x85x28
Brand : FAG
Bore Diameter (mm) : 45
Outer Diameter (mm) : 85
Width (mm) : 28
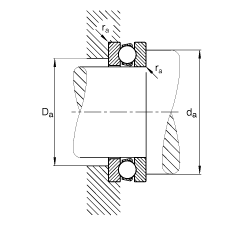
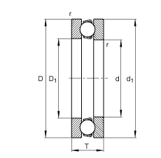
d - 45 mm
D - 85 mm
T - 28 mm
D1 - 47 mm
Da max - 61 mm
d1 - 85 mm
da min - 69 mm
ra max - 1 mm
rmin - 1 mm
m - 0,612 kg / Weight
Ca - 75000 N / Dynamic load rating (axial)
C0a - 140000 N / Static load rating (axial)
A - 0,12 / Factor min. load
nG - 3800 1/min / Limiting speed
Cua - 6300 N / Fatigue limit load, axial
Main dimensions to DIN 711/ISO 104, single direction, separable