HOME >> Services >> Partners >> FAG Bearing
FAG Bearing
IKO Bearing
INA Bearing
KOYO Bearing
NACHI Bearing
NSK Bearing
NTN Bearing
SKF Bearing
TIMKEN Bearing

Bearing number : 51310
Size (mm) : 50x95x31
Brand : FAG
Bore Diameter (mm) : 50
Outer Diameter (mm) : 95
Width (mm) : 31
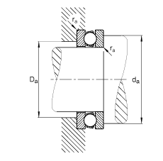
d - 50 mm
D - 95 mm
T - 31 mm
D1 - 52 mm
Da max - 68 mm
d1 - 95 mm
da min - 77 mm
ra max - 1 mm
rmin - 1,1 mm
m - 0,932 kg / Weight
Ca - 86500 N / Dynamic load rating (axial)
C0a - 170000 N / Static load rating (axial)
A - 0,18 / Factor min. load
nG - 3550 1/min / Limiting speed
Cua - 7500 N / Fatigue limit load, axial
Main dimensions to DIN 711/ISO 104, single direction, separable