HOME >> Services >> Partners >> FAG Bearing
FAG Bearing
IKO Bearing
INA Bearing
KOYO Bearing
NACHI Bearing
NSK Bearing
NTN Bearing
SKF Bearing
TIMKEN Bearing

Bearing number : 51336-MP
Size (mm) : 180x300x95
Brand : FAG
Bore Diameter (mm) : 180
Outer Diameter (mm) : 300
Width (mm) : 95
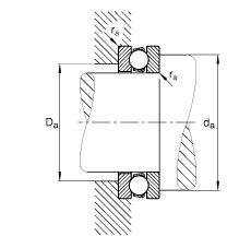
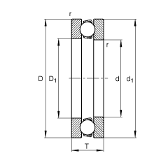
d - 180 mm
D - 300 mm
T - 95 mm
D1 - 184 mm
Da max - 228 mm
d1 - 295 mm
da min - 252 mm
ra max - 2,5 mm
rmin - 3 mm
m - 24,8 kg / Weight
Ca - 520000 N / Dynamic load rating (axial)
C0a - 1830000 N / Static load rating (axial)
A - 18 / Factor min. load
nG - 1130 1/min / Limiting speed
Cua - 52000 N / Fatigue limit load, axial
Main dimensions to DIN 711/ISO 104, single direction, separable