HOME >> Services >> Partners >> FAG Bearing
FAG Bearing
IKO Bearing
INA Bearing
KOYO Bearing
NACHI Bearing
NSK Bearing
NTN Bearing
SKF Bearing
TIMKEN Bearing

Bearing number : 51413-MP
Size (mm) : 65x140x56
Brand : FAG
Bore Diameter (mm) : 65
Outer Diameter (mm) : 140
Width (mm) : 56
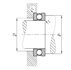
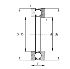
d - 65 mm
D - 140 mm
T - 56 mm
D1 - 68 mm
Da max - 95 mm
d1 - 140 mm
da min - 110 mm
ra max - 2 mm
rmin - 2 mm
m - 4,47 kg / Weight
Ca - 216000 N / Dynamic load rating (axial)
C0a - 450000 N / Static load rating (axial)
A - 1,1 / Factor min. load
nG - 2050 1/min / Limiting speed
Cua - 23500 N / Fatigue limit load, axial
Main dimensions to DIN 711/ISO 104, single direction, separable