HOME >> Services >> Partners >> FAG Bearing
FAG Bearing
IKO Bearing
INA Bearing
KOYO Bearing
NACHI Bearing
NSK Bearing
NTN Bearing
SKF Bearing
TIMKEN Bearing

Bearing number : 51418-MP
Size (mm) : 90x190x77
Brand : FAG
Bore Diameter (mm) : 90
Outer Diameter (mm) : 190
Width (mm) : 77
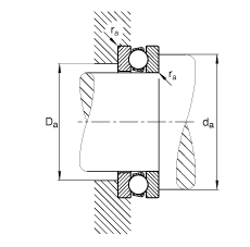
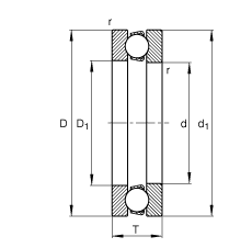
d - 90 mm
D - 190 mm
T - 77 mm
D1 - 93 mm
Da max - 130 mm
d1 - 187 mm
da min - 150 mm
ra max - 2,1 mm
rmin - 2,1 mm
m - 11,1 kg / Weight
Ca - 305000 N / Dynamic load rating (axial)
C0a - 750000 N / Static load rating (axial)
A - 3,4 / Factor min. load
nG - 1540 1/min / Limiting speed
Cua - 34000 N / Fatigue limit load, axial
Main dimensions to DIN 711/ISO 104, single direction, separable