HOME >> Services >> Partners >> FAG Bearing
FAG Bearing
IKO Bearing
INA Bearing
KOYO Bearing
NACHI Bearing
NSK Bearing
NTN Bearing
SKF Bearing
TIMKEN Bearing

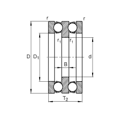
Bearing number : 52210
Size (mm) : 40x78x39
Brand : FAG
Bore Diameter (mm) : 40
Outer Diameter (mm) : 78
Width (mm) : 39
d - 40 mm
D - 78 mm
T2 - 39 mm
B - 9 mm
D1 - 52 mm
Da max - 61 mm
da max - 50 mm
r1 min - 0,6 mm
ra max - 1 mm
ra1 max - 0,6 mm
rmin - 1 mm
m - 0,635 kg / Weight
Ca - 50000 N / Dynamic load rating (axial)
C0a - 106000 N / Static load rating (axial)
A - 0,07 / Factor min. load
nG - 4950 1/min / Limiting speed
Cua - 4700 N / Fatigue limit load, axial
Main dimensions to DIN 711/ISO 104, separable