HOME >> Services >> Partners >> FAG Bearing
FAG Bearing
IKO Bearing
INA Bearing
KOYO Bearing
NACHI Bearing
NSK Bearing
NTN Bearing
SKF Bearing
TIMKEN Bearing

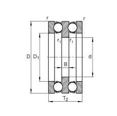
Bearing number : 52214
Size (mm) : 55x105x47
Brand : FAG
Bore Diameter (mm) : 55
Outer Diameter (mm) : 105
Width (mm) : 47
d - 55 mm
D - 105 mm
T2 - 47 mm
B - 10 mm
D1 - 72 mm
Da max - 84 mm
da max - 70 mm
r1 min - 1 mm
ra max - 1 mm
ra1 max - 1 mm
rmin - 1 mm
m - 1,3 kg / Weight
Ca - 65500 N / Dynamic load rating (axial)
C0a - 160000 N / Static load rating (axial)
A - 0,16 / Factor min. load
nG - 4000 1/min / Limiting speed
Cua - 7000 N / Fatigue limit load, axial
Main dimensions to DIN 711/ISO 104, separable