HOME >> Services >> Partners >> FAG Bearing
FAG Bearing
IKO Bearing
INA Bearing
KOYO Bearing
NACHI Bearing
NSK Bearing
NTN Bearing
SKF Bearing
TIMKEN Bearing

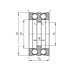
Bearing number : 52328-MP
Size (mm) : 120x240x140
Brand : FAG
Bore Diameter (mm) : 120
Outer Diameter (mm) : 240
Width (mm) : 140
d - 120 mm
D - 240 mm
T2 - 140 mm
B - 31 mm
D1 - 144 mm
Da max - 180 mm
da max - 140 mm
r1 min - 1,1 mm
ra max - 2,1 mm
ra1 max - 1 mm
rmin - 2,1 mm
m - 28,3 kg / Weight
Ca - 405000 N / Dynamic load rating (axial)
C0a - 1250000 N / Static load rating (axial)
A - 8 / Factor min. load
nG - 1360 1/min / Limiting speed
Cua - 40000 N / Fatigue limit load, axial
Main dimensions to DIN 711/ISO 104, separable