HOME >> Services >> Partners >> FAG Bearing
FAG Bearing
IKO Bearing
INA Bearing
KOYO Bearing
NACHI Bearing
NSK Bearing
NTN Bearing
SKF Bearing
TIMKEN Bearing

Bearing number : 53201 + U201
Size (mm) : 12x30x13
Brand : FAG
Bore Diameter (mm) : 12
Outer Diameter (mm) : 30
Width (mm) : 13
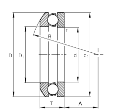
d - 12 mm
D3 - 30 mm
T1 - 13 mm
A - 11,5 mm
C - 3,5 mm
D - 28 mm
D1 - 14 mm
D2 - 20 mm
Da max - 20 mm
d1 - 28 mm
da min - 22 mm
R - 25 mm
ra max - 0,6 mm
rmin - 0,6 mm
T - 11,4 mm
- U201 / Designation, seating washer
m - 0,03 kg / Weight
m1 - 0,012 kg / Weight, seating washer
Ca - 13200 N / Dynamic load rating (axial)
C0a - 19000 N
A - 0,0020 / Factor min. load
nG - 11300 1/min / Limiting speed
Cua - 840 N / Fatigue limit load, axial
Main dimensions to DIN 711/ISO 104, single direction, with spherical housing locating washer and seating washer, separable