HOME >> Services >> Partners >> FAG Bearing
FAG Bearing
IKO Bearing
INA Bearing
KOYO Bearing
NACHI Bearing
NSK Bearing
NTN Bearing
SKF Bearing
TIMKEN Bearing

Bearing number : 53213
Size (mm) : 65x100x28.7
Brand : FAG
Bore Diameter (mm) : 65
Outer Diameter (mm) : 100
Width (mm) : 28,7
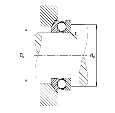
d - 65 mm
D - 100 mm
T - 28,7 mm
A - 40 mm
D1 - 67 mm
Da max - 82 mm
d1 - 100 mm
da min - 86 mm
R - 80 mm
ra max - 1 mm
rmin - 1 mm
m - 0,855 kg / Weight
Ca - 64000 N / Dynamic load rating (axial)
C0a - 150000 N / Static load rating (axial)
A - 0,14 / Factor min. load
nG - 4100 1/min / Limiting speed
Cua - 6600 N / Fatigue limit load, axial
Main dimensions to DIN 711/ISO 104, single direction, separable