HOME >> Services >> Partners >> FAG Bearing
FAG Bearing
IKO Bearing
INA Bearing
KOYO Bearing
NACHI Bearing
NSK Bearing
NTN Bearing
SKF Bearing
TIMKEN Bearing

Bearing number : 53217 + U217
Size (mm) : 85x130x37
Brand : FAG
Bore Diameter (mm) : 85
Outer Diameter (mm) : 130
Width (mm) : 37
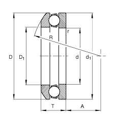
d - 85 mm
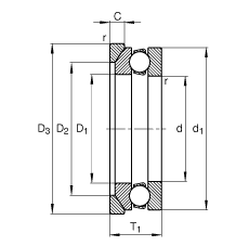
D3 - 130 mm
T1 - 37 mm
A - 52 mm
C - 11 mm
D - 125 mm
D1 - 88 mm
D2 - 105 mm
Da max - 105 mm
d1 - 125 mm
da min - 109 mm
R - 100 mm
ra max - 1 mm
rmin - 1 mm
T - 33,1 mm
- U217 / Designation, seating washer
m - 1,22 kg / Weight
m1 - 0,29 kg / Weight, seating washer
Ca - 98000 N / Dynamic load rating (axial)
C0a - 250000 N
A - 0,38 / Factor min. load
nG - 3250 1/min / Limiting speed
Cua - 10900 N / Fatigue limit load, axial
Main dimensions to DIN 711/ISO 104, single direction, with spherical housing locating washer and seating washer, separable