HOME >> Services >> Partners >> FAG Bearing
FAG Bearing
IKO Bearing
INA Bearing
KOYO Bearing
NACHI Bearing
NSK Bearing
NTN Bearing
SKF Bearing
TIMKEN Bearing

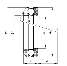
Bearing number : 53224 + U224
Size (mm) : 120x175x46
Brand : FAG
Bore Diameter (mm) : 120
Outer Diameter (mm) : 175
Width (mm) : 46
d - 120 mm
D3 - 175 mm
T1 - 46 mm
A - 61 mm
C - 15 mm
D - 170 mm
D1 - 123 mm
D2 - 145 mm
Da max - 145 mm
d1 - 170 mm
da min - 150 mm
R - 125 mm
ra max - 1 mm
rmin - 1,1 mm
T - 40,8 mm
- U224 / Designation, seating washer
m - 2,58 kg / Weight
m1 - 0,65 kg / Weight, seating washer
Ca - 134000 N / Dynamic load rating (axial)
C0a - 390000 N
A - 0,95 / Factor min. load
nG - 2550 1/min / Limiting speed
Cua - 14200 N / Fatigue limit load, axial
Main dimensions to DIN 711/ISO 104, single direction, with spherical housing locating washer and seating washer, separable