HOME >> Services >> Partners >> FAG Bearing
FAG Bearing
IKO Bearing
INA Bearing
KOYO Bearing
NACHI Bearing
NSK Bearing
NTN Bearing
SKF Bearing
TIMKEN Bearing

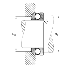
Bearing number : 53226
Size (mm) : 130x190x47.9
Brand : FAG
Bore Diameter (mm) : 130
Outer Diameter (mm) : 190
Width (mm) : 47,9
d - 130 mm
D - 190 mm
T - 47,9 mm
A - 67 mm
D1 - 133 mm
Da max - 160 mm
d1 - 187 mm
da min - 166 mm
R - 140 mm
ra max - 1,5 mm
rmin - 1,5 mm
m - 3,9 kg / Weight
Ca - 183000 N / Dynamic load rating (axial)
C0a - 540000 N / Static load rating (axial)
A - 1,7 / Factor min. load
nG - 2210 1/min / Limiting speed
Cua - 18900 N / Fatigue limit load, axial
Main dimensions to DIN 711/ISO 104, single direction, separable