HOME >> Services >> Partners >> FAG Bearing
FAG Bearing
IKO Bearing
INA Bearing
KOYO Bearing
NACHI Bearing
NSK Bearing
NTN Bearing
SKF Bearing
TIMKEN Bearing

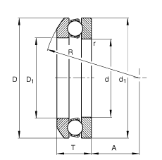
Bearing number : 53228 + U228
Size (mm) : 140x210x55
Brand : FAG
Bore Diameter (mm) : 140
Outer Diameter (mm) : 210
Width (mm) : 55
d - 140 mm
D3 - 210 mm
T1 - 55 mm
A - 87 mm
C - 17 mm
D - 200 mm
D1 - 143 mm
D2 - 170 mm
Da max - 170 mm
d1 - 197 mm
da min - 176 mm
R - 160 mm
ra max - 1,5 mm
rmin - 1,5 mm
T - 48,6 mm
- U228 / Designation, seating washer
m - 4,25 kg / Weight
m1 - 1,22 kg / Weight, seating washer
Ca - 190000 N / Dynamic load rating (axial)
C0a - 570000 N
A - 1,9 / Factor min. load
nG - 2110 1/min / Limiting speed
Cua - 19200 N / Fatigue limit load, axial
Main dimensions to DIN 711/ISO 104, single direction, with spherical housing locating washer and seating washer, separable