HOME >> Services >> Partners >> FAG Bearing
FAG Bearing
IKO Bearing
INA Bearing
KOYO Bearing
NACHI Bearing
NSK Bearing
NTN Bearing
SKF Bearing
TIMKEN Bearing

Bearing number : 53232-MP
Size (mm) : 160x225x54.7
Brand : FAG
Bore Diameter (mm) : 160
Outer Diameter (mm) : 225
Width (mm) : 54,7
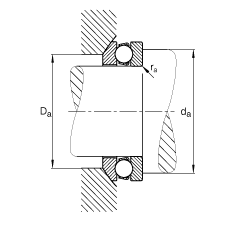
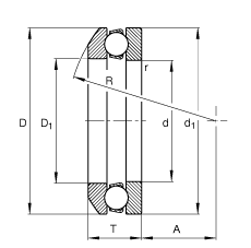
d - 160 mm
D - 225 mm
T - 54,7 mm
A - 74 mm
D1 - 163 mm
Da max - 190 mm
d1 - 222 mm
da min - 199 mm
R - 160 mm
ra max - 1,5 mm
rmin - 1,5 mm
m - 6,45 kg / Weight
Ca - 240000 N / Dynamic load rating (axial)
C0a - 765000 N / Static load rating (axial)
A - 3,2 / Factor min. load
nG - 1900 1/min / Limiting speed
Cua - 24700 N / Fatigue limit load, axial
Main dimensions to DIN 711/ISO 104, single direction, separable