HOME >> Services >> Partners >> FAG Bearing
FAG Bearing
IKO Bearing
INA Bearing
KOYO Bearing
NACHI Bearing
NSK Bearing
NTN Bearing
SKF Bearing
TIMKEN Bearing

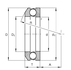
Bearing number : 53232-MP + U232
Size (mm) : 160x235x61
Brand : FAG
Bore Diameter (mm) : 160
Outer Diameter (mm) : 235
Width (mm) : 61
d - 160 mm
D3 - 235 mm
T1 - 61 mm
A - 74 mm
C - 21 mm
D - 225 mm
D1 - 163 mm
D2 - 190 mm
Da max - 190 mm
d1 - 222 mm
da min - 199 mm
R - 160 mm
ra max - 1,5 mm
rmin - 1,5 mm
T - 54,7 mm
- U232 / Designation, seating washer
m - 6,45 kg / Weight
m1 - 1,81 kg / Weight, seating washer
Ca - 240000 N / Dynamic load rating (axial)
C0a - 765000 N
A - 3,2 / Factor min. load
nG - 1900 1/min / Limiting speed
Cua - 24700 N / Fatigue limit load, axial
Main dimensions to DIN 711/ISO 104, single direction, with spherical housing locating washer and seating washer, separable