HOME >> Services >> Partners >> FAG Bearing
FAG Bearing
IKO Bearing
INA Bearing
KOYO Bearing
NACHI Bearing
NSK Bearing
NTN Bearing
SKF Bearing
TIMKEN Bearing

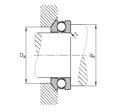
Bearing number : 53307
Size (mm) : 35x68x25.6
Brand : FAG
Bore Diameter (mm) : 35
Outer Diameter (mm) : 68
Width (mm) : 25,6
d - 35 mm
D - 68 mm
T - 25,6 mm
A - 24 mm
D1 - 37 mm
Da max - 52 mm
d1 - 68 mm
da min - 55 mm
R - 56 mm
ra max - 1 mm
rmin - 1 mm
m - 0,437 kg / Weight
Ca - 50000 N / Dynamic load rating (axial)
C0a - 88000 N / Static load rating (axial)
A - 0,05 / Factor min. load
nG - 4850 1/min / Limiting speed
Cua - 3900 N / Fatigue limit load, axial
Main dimensions to DIN 711/ISO 104, single direction, separable