HOME >> Services >> Partners >> FAG Bearing
FAG Bearing
IKO Bearing
INA Bearing
KOYO Bearing
NACHI Bearing
NSK Bearing
NTN Bearing
SKF Bearing
TIMKEN Bearing

Bearing number : 53307 + U307
Size (mm) : 35x72x28
Brand : FAG
Bore Diameter (mm) : 35
Outer Diameter (mm) : 72
Width (mm) : 28
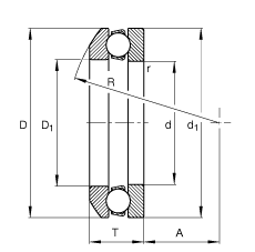
d - 35 mm
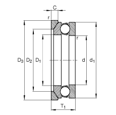
D3 - 72 mm
T1 - 28 mm
A - 24 mm
C - 7,5 mm
D - 68 mm
D1 - 37 mm
D2 - 52 mm
Da max - 52 mm
d1 - 68 mm
da min - 55 mm
R - 56 mm
ra max - 1 mm
rmin - 1 mm
T - 25,6 mm
- U307 / Designation, seating washer
m - 0,437 kg / Weight
m1 - 0,083 kg / Weight, seating washer
Ca - 50000 N / Dynamic load rating (axial)
C0a - 88000 N
A - 0,05 / Factor min. load
nG - 4850 1/min / Limiting speed
Cua - 3900 N / Fatigue limit load, axial
Main dimensions to DIN 711/ISO 104, single direction, with spherical housing locating washer and seating washer, separable