HOME >> Services >> Partners >> FAG Bearing
FAG Bearing
IKO Bearing
INA Bearing
KOYO Bearing
NACHI Bearing
NSK Bearing
NTN Bearing
SKF Bearing
TIMKEN Bearing

Bearing number : 53320 + U320
Size (mm) : 100x175x64
Brand : FAG
Bore Diameter (mm) : 100
Outer Diameter (mm) : 175
Width (mm) : 64
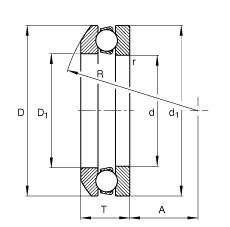
d - 100 mm
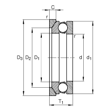
D3 - 175 mm
T1 - 64 mm
A - 46 mm
C - 18 mm
D - 170 mm
D1 - 103 mm
D2 - 135 mm
Da max - 135 mm
d1 - 170 mm
da min - 142 mm
R - 125 mm
ra max - 1,5 mm
rmin - 1,5 mm
T - 59,2 mm
- U320 / Designation, seating washer
m - 4,99 kg / Weight
m1 - 0,95 kg / Weight, seating washer
Ca - 240000 N / Dynamic load rating (axial)
C0a - 585000 N
A - 1,9 / Factor min. load
nG - 1970 1/min / Limiting speed
Cua - 21900 N / Fatigue limit load, axial
Main dimensions to DIN 711/ISO 104, single direction, with spherical housing locating washer and seating washer, separable