HOME >> Services >> Partners >> FAG Bearing
FAG Bearing
IKO Bearing
INA Bearing
KOYO Bearing
NACHI Bearing
NSK Bearing
NTN Bearing
SKF Bearing
TIMKEN Bearing

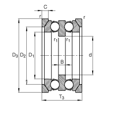
Bearing number : 54205 + U205
Size (mm) : 20x50x36
Brand : FAG
Bore Diameter (mm) : 20
Outer Diameter (mm) : 50
Width (mm) : 36
d - 20 mm
D3 - 50 mm
T3 - 36 mm
A - 16,5 mm
B - 7 mm
C - 5,5 mm
D - 47 mm
D1 - 27 mm
D2 - 36 mm
Da max - 36 mm
da max - 25 mm
R - 40 mm
r1 min - 0,3 mm
ra max - 0,6 mm
ra1 max - 0,3 mm
rmin - 0,6 mm
T2 - 31,4 mm
- U205 / Designation, seating washer
m - 0,221 kg / Weight
m1 - 0,032 kg
Ca - 28000 N / Dynamic load rating (axial)
C0a - 50000 N / Static load rating (axial)
A - 0,013 / Factor min. load
nG - 7500 1/min / Limiting speed
Cua - 2220 N / Fatigue limit load, axial
Main dimensions to DIN 711/ISO 104, with spherical housing locating washer and one or two seating washers, separable