HOME >> Services >> Partners >> FAG Bearing
FAG Bearing
IKO Bearing
INA Bearing
KOYO Bearing
NACHI Bearing
NSK Bearing
NTN Bearing
SKF Bearing
TIMKEN Bearing

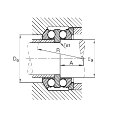
Bearing number : 54207
Size (mm) : 30x62x37.8
Brand : FAG
Bore Diameter (mm) : 30
Outer Diameter (mm) : 62
Width (mm) : 37,8
d - 30 mm
D - 62 mm
T2 - 37,8 mm
A - 21 mm
B - 8 mm
D1 - 37 mm
Da max - 48 mm
da max - 35 mm
R - 50 mm
r1 min - 0,3 mm
ra max - 1 mm
ra1 max - 0,3 mm
rmin - 1 mm
m - 0,749 kg / Weight
Ca - 35500 N / Dynamic load rating (axial)
C0a - 67000 N / Static load rating (axial)
A - 0,028 / Factor min. load
nG - 6000 1/min / Limiting speed
Cua - 3000 N / Fatigue limit load, axial
Main dimensions to DIN 711/ISO 104, separable