HOME >> Services >> Partners >> FAG Bearing
FAG Bearing
IKO Bearing
INA Bearing
KOYO Bearing
NACHI Bearing
NSK Bearing
NTN Bearing
SKF Bearing
TIMKEN Bearing

Bearing number : 54215 + U215
Size (mm) : 60x115x57
Brand : FAG
Bore Diameter (mm) : 60
Outer Diameter (mm) : 115
Width (mm) : 57
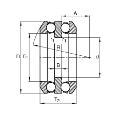
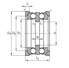
d - 60 mm
D3 - 115 mm
T3 - 57 mm
A - 47,5 mm
B - 10 mm
C - 9,5 mm
D - 110 mm
D1 - 77 mm
D2 - 92 mm
Da max - 92 mm
da max - 75 mm
R - 90 mm
r1 min - 1 mm
ra max - 1 mm
ra1 max - 1 mm
rmin - 1 mm
T2 - 49,6 mm
- U215 / Designation, seating washer
m - 1,87 kg / Weight
m1 - 0,21 kg
Ca - 67000 N / Dynamic load rating (axial)
C0a - 170000 N / Static load rating (axial)
A - 0,18 / Factor min. load
nG - 3950 1/min / Limiting speed
Cua - 7500 N / Fatigue limit load, axial
Main dimensions to DIN 711/ISO 104, with spherical housing locating washer and one or two seating washers, separable