HOME >> Services >> Partners >> FAG Bearing
FAG Bearing
IKO Bearing
INA Bearing
KOYO Bearing
NACHI Bearing
NSK Bearing
NTN Bearing
SKF Bearing
TIMKEN Bearing

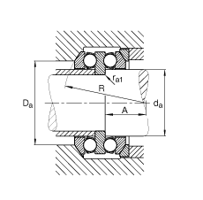
Bearing number : 54218
Size (mm) : 75x135x69
Brand : FAG
Bore Diameter (mm) : 75
Outer Diameter (mm) : 135
Width (mm) : 69
d - 75 mm
D - 135 mm
T2 - 69 mm
A - 42 mm
B - 14 mm
D1 - 93 mm
Da max - 110 mm
da max - 90 mm
R - 100 mm
r1 min - 1 mm
ra max - 1 mm
ra1 max - 1 mm
rmin - 1,1 mm
m - 3,11 kg / Weight
Ca - 118000 N / Dynamic load rating (axial)
C0a - 300000 N / Static load rating (axial)
A - 0,53 / Factor min. load
nG - 2900 1/min / Limiting speed
Cua - 12300 N / Fatigue limit load, axial
Main dimensions to DIN 711/ISO 104, separable