HOME >> Services >> Partners >> FAG Bearing
FAG Bearing
IKO Bearing
INA Bearing
KOYO Bearing
NACHI Bearing
NSK Bearing
NTN Bearing
SKF Bearing
TIMKEN Bearing

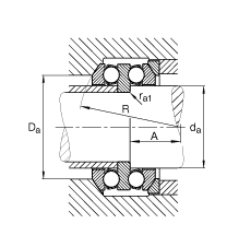
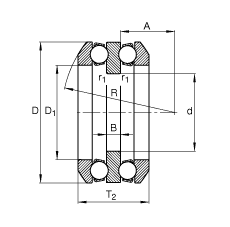
Bearing number : 54309
Size (mm) : 35x85x56.2
Brand : FAG
Bore Diameter (mm) : 35
Outer Diameter (mm) : 85
Width (mm) : 56,2
d - 35 mm
D - 85 mm
T2 - 56,2 mm
A - 21 mm
B - 12 mm
D1 - 47 mm
Da max - 65 mm
da max - 45 mm
R - 64 mm
r1 min - 0,6 mm
ra max - 1 mm
ra1 max - 0,6 mm
rmin - 1 mm
m - 2,15 kg / Weight
Ca - 75000 N / Dynamic load rating (axial)
C0a - 140000 N / Static load rating (axial)
A - 0,12 / Factor min. load
nG - 3800 1/min / Limiting speed
Cua - 6300 N / Fatigue limit load, axial
Main dimensions to DIN 711/ISO 104, separable