HOME >> Services >> Partners >> FAG Bearing
FAG Bearing
IKO Bearing
INA Bearing
KOYO Bearing
NACHI Bearing
NSK Bearing
NTN Bearing
SKF Bearing
TIMKEN Bearing

Bearing number : 54312 + U312
Size (mm) : 50x115x78
Brand : FAG
Bore Diameter (mm) : 50
Outer Diameter (mm) : 115
Width (mm) : 78
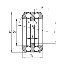
d - 50 mm
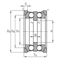
D3 - 115 mm
T3 - 78 mm
A - 36,5 mm
B - 15 mm
C - 11,5 mm
D - 110 mm
D1 - 62 mm
D2 - 85 mm
Da max - 85 mm
da max - 60 mm
R - 90 mm
r1 min - 0,6 mm
ra max - 1 mm
ra1 max - 0,6 mm
rmin - 1,1 mm
T2 - 70,6 mm
- U312 / Designation, seating washer
m - 2,59 kg / Weight
m1 - 0,31 kg
Ca - 100000 N / Dynamic load rating (axial)
C0a - 208000 N / Static load rating (axial)
A - 0,28 / Factor min. load
nG - 3150 1/min / Limiting speed
Cua - 9000 N / Fatigue limit load, axial
Main dimensions to DIN 711/ISO 104, with spherical housing locating washer and one or two seating washers, separable