HOME >> Services >> Partners >> FAG Bearing
FAG Bearing
IKO Bearing
INA Bearing
KOYO Bearing
NACHI Bearing
NSK Bearing
NTN Bearing
SKF Bearing
TIMKEN Bearing

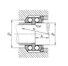
Bearing number : 54314
Size (mm) : 55x125x80.4
Brand : FAG
Bore Diameter (mm) : 55
Outer Diameter (mm) : 125
Width (mm) : 80,4
d - 55 mm
D - 125 mm
T2 - 80,4 mm
A - 39 mm
B - 16 mm
D1 - 72 mm
Da max - 98 mm
da max - 70 mm
R - 100 mm
r1 min - 1 mm
ra max - 1 mm
ra1 max - 1 mm
rmin - 1,1 mm
m - 3,77 kg / Weight
Ca - 134000 N / Dynamic load rating (axial)
C0a - 290000 N / Static load rating (axial)
A - 0,5 / Factor min. load
nG - 2750 1/min / Limiting speed
Cua - 12900 N / Fatigue limit load, axial
Main dimensions to DIN 711/ISO 104, separable